Blechprofil

BZ

Der Blechprofilrost «Zahn» (BZ) bietet eine hohe Rutschhemmung durch die extrem ausgeprägte Oberflächenstruktur. Daher eignet er sich besonders für Bereiche, in denen mit gleitfördernden Stoffen, z.B. Fetten und Ölen, gearbeitet wird.

BP

Der Blechprofilrost «Parallel» (BP) besticht durch die elegante Optik. Ruhige Linienführung und hohe Tragfähigkeit empfehlen ihn für grossflächige Industrieanlagen.

BP-Ü

Der Blechprofilrost «Parallel Überhöht» (BP-Ü) überzeugt durch sehr gute Rutschhemmung und Tragfähigkeit.

BN-O

Der Blechprofilrost «Noppe Offen» (BN-O) bietet durch Ablaufbohrungen eine gute Drainage und durch die hochgedrückten Noppen eine hervorragende Standsicherheit.

BN-G

Der Blechprofilrost «Noppe Geschlossen» (BN-G) findet immer dort Anwendung, wo eine geschlossene Oberfläche gewünscht wird, aber eine sichere Begehbarkeit gewährleistet sein muss.

BR

Der Blechprofilrost «Raute» (BR) eignet sich besonders für Bereiche, in denen höhere Einzellasten auf kleinen Aufstandsflächen vorkommen (z.B. PKW befahrbar).

Blechprofilrosttyp Abmessungen
mm
Mass d
mm
BN-O/BN-G 240/50/2.0 600 x 240 120
BN-O/BN-G 240/75/2.0 800 x 240 120
BN-O/BN-G 240/75/2.0 1000 x 240 120
BN-O/BN-G 240/75/2.0 1200 x 240 120
BN-O/BN-G 270/50/2.5 600 x 270 150
BN-O/BN-G 270/50/2.5 800 x 270 150
BN-O/BN-G 270/75/2.5 1000 x 270 150
BN-O/BN-G 270/75/2.5 1200 x 270 150
BN-O/BN-G 300/50/2.5 600 x 300 180
BN-O/BN-G 300/50/2.5 800 x 300 180
BN-O/BN-G 300/75/2.5 1000 x 300 180
BN-O/BN-G 300/75/2.5 1200 x 300 180
BP 300/50/2.0 600 x 300 180
BP 300/50/2.0 800 x 300 180
BP 300/75/2.5 1000 x 300 180
BP 300/75/2.5 1200 x 300 180
BZ 240/50/2.0 600 x 240 120
BZ 240/75/2.0 800 x 240 120
BZ 240/75/2.0 1000 x 240 120
BZ 240/75/2.0 1200 x 240 120
BZ 270/50/2.5 600 x 270 150
BZ 270/50/2.5 800 x 270 150
BZ 270/75/2.5 1000 x 270 150
BZ 270/75/2.5 1200 x 270 150
BZ 300/50/2.5 600 x 300 180
BZ 300/50/2.5 800 x 300 180
BZ 300/75/2.5 1000 x 300 180
BZ 300/75/2.5 1200 x 300 180
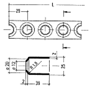
Leitersprossen LSP 25
Bezeichnung 800/25/39/2 mm
Werkstoffe Stahl
Edelstahl 1.4301
Edelstahl 1.4571
Aluminium AIMg 3 G 22
Länge 800 mm
Oberfläche roh, ohne Anstrich
Leitersprossen LSP 35
Bezeichnung 2000/35/34/2 mm
Werkstoffe Stahl
Edelstahl 1.4301
Edelstahl 1.4571
Aluminium AIMg 3 G 22
Länge 2000 mm
Oberfläche roh, ohne Anstrich
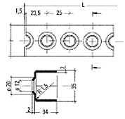
Leitersprossen LSP 50
Bezeichnung 2000/50/39/2 mm
Werkstoffe Stahl
Edelstahl 1.4301
Edelstahl 1.4571
Aluminium AIMg 3 G 22
Länge 2000 mm
Oberfläche roh, ohne Anstrich
LSP 50 G 497/50/39/2 mm
mit geraden Enden
LSP 50 R 485/50/39/2 mm
an den Enden rund
ausgeklinkt, passend für
Rohr- 48.3 mm
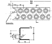
Lagerstufen
Abmessungen
600 x 250
700 x 250
800 x 250
900 x 250
1000 x 250
Ausführung
BP
Lagerprodukte in Längen von 4000 mm
Werkstoff:
Stahl verzinkt
Edelstahl 1.4301
Edelstahl 1.4571
gebeizt, elektrochemisch poliert
oder glasperlgestrahlt
Aluminium Al Mg 3 G 22
gebeizt, eloxiert, einbrennlackiert oder kunststoffbeschichtet
Sonderausführungen für alle
Typen auf Anfrage
Standard-Massstufen

Rieder & Co. AG
Fabrik: Wittnauerstrasse 142
CH-4467 Rothenfluh
Tel.: +41 (0) 61 991 01 18
Fax: +41 (0) 61 991 05 89
E-Mail: info@rieder-co-ag.ch